凤栖楼论坛

產物中間

點石成金,芯系我國
以后地位:首頁>產物中間

LM4558 運算縮小器

供貨狀況:量產
閱讀次數:1627
產物范例:Other
產物封裝:SOP8/DIP8
產物價錢:¥征詢發賣職員
產物概況

LM4558 DUAL LOW NOISE OPERATIONAL AMPLIFIERS

1、General Description

The LM4558 consists of two high performance operational amplifiers. The IC features high gain, low equivalent input noise voltage, high input resistance, excellent channel separation, wide range of operating voltage and internal frequency compensation. It can work with ± 18V maximum power supply voltage or single power supply up to 36V.The LM4558 is available in DIP-8 and SOP-8 packages.


2、Features

  • Internally Frequency Compensated?
  • Large Signal Voltage Gain: 100dB Typical?
  • Gain and Phase Match between Amplifiers?
  • Gain Bandwidth Product (at 10kHz): 5.5MHz?
  • Pin to Pin Compatible with MC1458


3、Applications

  • Audio AC-3 Decoder System?
  • Audio Amplifier
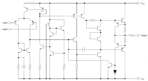
4、Functional Block Diagram5、Pin Configuration
image.pngimage.png


乙酰乙酸參數

購貨境況

區域數

的任務直流電壓范圍

(V)

增益值服務器帶寬積

冗余工作電流/路通道

不平衡量線電壓

(mV)

動態平衡電流電壓溫漂

(μV/°C)

的輸出偏置電壓

(nA)

芯片封裝
LM4558量產24.0-365.5MHz2.25mA55400SOP8/DIP8



上一篇:北京花满楼论坛:LM324H 運算縮小器

下一篇:北京花满楼论坛:LM4580 運算縮小器

采辦樣品

采辦樣品

微信掃一掃

微信接洽
前往頂部